欢迎进入重庆科瑞南海制药有限责任公司官方网站!
EHS信息
EHS信息
位置: 主页 > EHS信息
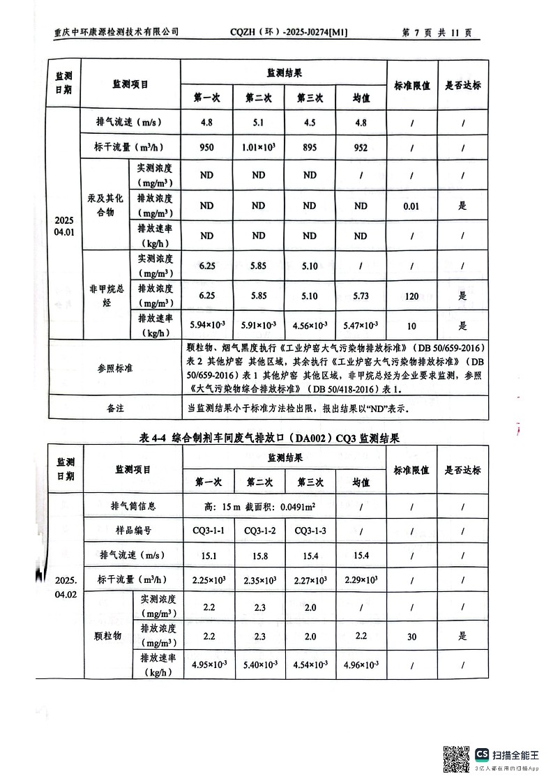
2025年4月废水、锅炉、制剂、活化炉检测报告
发布时间:2025-05-11 14:21
  |  
阅读量:

2025年4月废水、锅炉、制剂、活化炉检测报告(图1)

2025年4月废水、锅炉、制剂、活化炉检测报告(图2)

2025年4月废水、锅炉、制剂、活化炉检测报告(图3)

2025年4月废水、锅炉、制剂、活化炉检测报告(图4)

2025年4月废水、锅炉、制剂、活化炉检测报告(图5)

2025年4月废水、锅炉、制剂、活化炉检测报告(图6)

2025年4月废水、锅炉、制剂、活化炉检测报告(图7)

2025年4月废水、锅炉、制剂、活化炉检测报告(图8)

2025年4月废水、锅炉、制剂、活化炉检测报告(图9)

2025年4月废水、锅炉、制剂、活化炉检测报告(图10)

2025年4月废水、锅炉、制剂、活化炉检测报告(图11)

2025年4月废水、锅炉、制剂、活化炉检测报告(图12)

2025年4月废水、锅炉、制剂、活化炉检测报告(图13)